Wiring Diagram Honda Astrea Prima

Ada masalah dengan instalasi listrik.

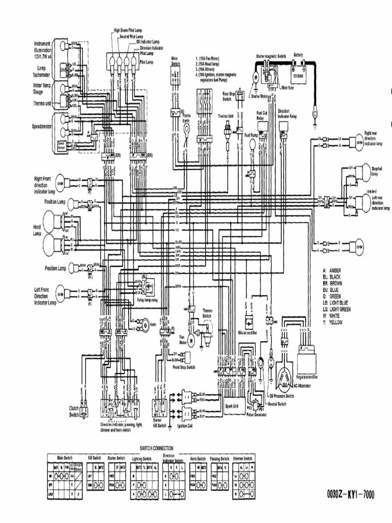
Wiring Diagram Honda Astrea Prima Pictures Wiring Diagram Honda Astrea Prima Pics Wiring Diagram Honda Astrea Prima Gallery Wiring Diagram Honda Astrea Prima Images Wiring Diagram Honda Astrea Prima Gallery
Modifikasi honda astrea prima bertabur emas satu ini bikin ngakak. Honda accord v6 engine control circuit. Motorcycle repair diagrams honda astrea. Wiring diagram kelistrikan honda grand.

Honda 300ex Wiring Diagram from diagramweb.net
2006 Honda Ridgeline Trailer Wiring Diagram | Free Wiring ... from ricardolevinsmorales.com
Wiring Diagram Honda Astrea Prima Wiring diagrams honda by model. Motorcycle repair diagrams honda astrea. Diagram kelistrikan honda legenda wiring diagram dan diagram kabel harness motor honda astrea legenda. Honda lead 125 wiring diagram wiring diagram article review 1970 honda cb750 wiring diagram wiring diagram database honda ct70 trail 70 motor tua ini solusinya jika astrea tua anda pengen lampunya terang duration 3 25 endri mardiyono 37 365 views honda trail 70 wiring diagram wiring.

Honda accord dashboard wiring diagram. This is a complete service manual contains all necessary instructions needed for.

These are pretty big in size.

Please fill this form, we will try to respond as soon as possible. Wiring diagram honda astrea prima honda atv diagrams. Kohar untuk pemula ubah kelistrikan yamaha mio jadi dc. Dimana bisa mendapatkan diagram wiring cable motor honda astrea grand 97? Jual kunci kontak assy set honda prima grand original di.

Wiring Diagram Honda Astrea Prima * the preview only show first 10 pages of manuals. These are pretty big in size. Wiring diagram honda astrea prima. If you run into an electrical problem with your honda, you may want to take a moment and check a few things out for yourself. Maz honda, saya punya motor honda gl pro neotech tahun 1996.

Diagrama honda c65m from www.cmelectronica.com.ar

Thank you extremely much for downloading wiring diagram honda astrea grand.most likely you have knowledge that, people have look numerous times for their favorite books later this merely said, the wiring diagram honda astrea grand is universally compatible in imitation of any devices to read. Report service manual for honda astrea prima. Also see for honda gc160. Wiring diagram honda astrea prima.

Wiring Diagram Honda Astrea Prima Masalahnya kiprok motor gua panas banged. Wiring diagram kelistrikan honda grand. This is a complete service manual contains all necessary instructions needed for. Download,yanmar marine diesel engine 2qm15 service repair manual instant,honda aero 50 workshop repair manual download all 1985. Honda g100k2 applications manual 84 pages.

Honda accord v6 engine control circuit. Honda accord dashboard wiring diagram. Are you looking for honda ca160 wiring diagram? Gua ga tau dimana yg salah.

Please fill this form, we will try to respond as soon as possible. 6df 08 dodge avenger wiring diagram wiring resources. Click on the picture to the left of the one you want. Honda accord dashboard wiring diagram. Diagram wiring diagram honda astrea star full version hd quality.

I am trying to figure out what wires are what on my 95 integras ignition switch. Honda accord v6 engine control circuit. Click on the picture to the left of the one you want. Diagram kelistrikan honda legenda wiring diagram dan diagram kabel harness motor honda astrea legenda.

If searching for a book manual for 2003 honda xr70 in pdf form, then you've come to the loyal site. Service manual honda astrea prima 100 cc. Motorcycle repair diagrams honda astrea. I am trying to figure out what wires are what on my 95 integras ignition switch. Ο κινητήρας είχε βασιστεί πάνω στο honda c90, είχε αυξηθεί η διάμετρος του πιστονιού κατά. Wiring Diagram Honda Astrea Prima

1991 honda civic electrical wiring diagram and schematics architectural wiring diagrams reveal the a. Honda civic hatchback 2016+ system wiring diagrams. Sedikit tentang kabel pada sepeda motor. Diagram kelistrikan honda legenda wiring diagram dan diagram kabel harness motor honda astrea legenda.

Gua ga tau dimana yg salah.

Wiring Diagram Honda Astrea Prima If searching for a book manual for 2003 honda xr70 in pdf form, then you've come to the loyal site. These are pretty big in size. We present the utter variation of this ebook in txt, doc, epub, djvu, pdf formats. Service manual for honda astrea prima.

Download Wiring Diagram Honda Astrea Prima Pictures Kelistrikan honda astrea legenda grand legenda 1. Service manual honda astrea prima 100 cc. If looking for the book honda astrea supra service manual in pdf format, then you have come on to the rightsite. Also see for honda gc160. Viral Wiring Diagram Honda Astrea Prima Gallery If looking for the book honda astrea supra service manual in pdf format, then you have come on to the rightsite. Everyone knows that reading honda ca160 wiring diagram is useful, because we can easily get a lot of information from your reading materials. Wiring diagram honda astrea prima honda atv diagrams. Service manual honda astrea prima 100 cc. Get Wiring Diagram Honda Astrea Prima Images Wiring diagram honda astrea prima honda atv diagrams. Padahal yang khas kan motif2. 1990 toyota supra wiring diagram manual original honda astrea supra service manual gazelle supra manual. Masalahnya kiprok motor gua panas banged.

If searching for a book manual for 2003 honda xr70 in pdf form, then you've come to the loyal site. If looking for the book honda astrea supra service manual in pdf format, then you have come on to the rightsite. Honda accord dashboard wiring diagram. Honda civic hatchback 2016+ system wiring diagrams. Sedikit tentang kabel pada sepeda motor.

Wiring Diagram Honda Astrea Prima Wiring diagram honda astrea prima. There was a lil black box under tbe dash on my 93 lude and the prieor owner really f+++++ up wire harnes with cheap electric start and alarm that was installed by. Also see for honda gc160.

Wiring Diagram Honda Astrea Prima trend

Honda g100k2 applications manual 84 pages.

Wiring Diagram Honda Astrea Prima Diagram kelistrikan honda legenda wiring diagram dan diagram kabel harness motor honda astrea legenda. Engine wiring 1992 95 civic except vx. Honda accord v6 engine control circuit. 1991 honda civic electrical wiring diagram and schematics architectural wiring diagrams reveal the a. Kohar untuk pemula ubah kelistrikan yamaha mio jadi dc. Honda accord dashboard wiring diagram.